
- 聯系我們
- 公司名稱:天津茲維克傳動科技有限公司
- 銷售熱線:022-27921004
- 直線手機:17002269069
- 技術支持:13821920480
- 銷售傳真:022-27921004
- 企業郵箱:526297977@qq.com
- 地址:天津市武清區京津電子商務產業園綜合辦公樓1058室?
- AURORA SG-10E軸承相似產品
- AURORA XAB-10軸承
- AURORA AB-10軸承
- AURORA SPB-10軸承
- AURORA MB-10軸承
- AURORA SPW-10軸承
- AURORA SB-10E軸承
- AURORA SW-10E軸承
- AURORA SG-10軸承
- AURORA CB-10軸承
- AURORA BM-10軸承
首頁 >> AURORA關節軸承 >> 美國AURORA SG-10E關節軸承
AURORA SG-10E關節軸承
AURORA SG-10E關節軸承尺寸為:內徑:15.875mm,外徑:38.1mm,內圈厚度:19.05mm,外圈厚度:14.27mm,類型:左旋關節軸承,油潤滑參考轉速:-轉/分鐘,脂潤滑參考轉速:-轉/分鐘,精度等級:-,產地:美國。
本產品天津茲維克有售,本公司保證所銷售的AURORA SG-10E關節軸承產品為AURORA品牌原裝,假一罰十。購買咨詢熱線:022-27921004,13821920480,聯系人:翟先生
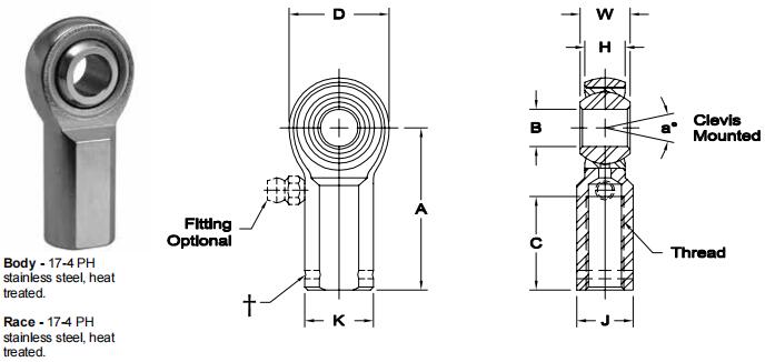
- AURORA關節軸承SG-10E圖紙

- AURORA SG-10E關節軸承詳細參數
| 軸承名稱 | AURORASG-10E關節軸承 |
|---|---|
| 產品型號 | SG-10E |
| 內徑B(mm) | 15.875 |
| 外徑D(mm) | 38.1 |
| 內徑厚度W(mm) | 19.05 |
| 外徑厚度H(mm) | 14.27 |
| A± .010 | 63.5 |
| K± .010 | 25.4 |
| J± .010 | 22.23 |
| Ball Dia. Ref | 28.58 |
| C+ .062 ~ - .031 | 38.1 |
| Thread UNF-3B | 5/8-18 |
| a° Misalign. Angle | 16 |
| 徑向載荷Lbs | 61.609 |
| 類型 | 關節軸承 |
| 品牌 | AURORA |
| 重量lbs | 216 |
上一篇:AURORA SW-10E關節軸承<------>
下一篇:AURORA SW-12E關節軸承