
- 聯系我們
- 公司名稱:天津茲維克傳動科技有限公司
- 銷售熱線:022-27921004
- 直線手機:17002269069
- 技術支持:13821920480
- 銷售傳真:022-27921004
- 企業郵箱:526297977@qq.com
- 地址:天津市武清區京津電子商務產業園綜合辦公樓1058室?
- AURORA VCW-7軸承相似產品
- AURORA MM-7軸承
- AURORA VCAM-7軸承
- AURORA CB-7軸承
- AURORA KM-7軸承
- AURORA VCW-7軸承
- AURORA CAB-7軸承
- AURORA VCM-7軸承
- AURORA SB-7軸承
- AURORA CB-7ET軸承
- AURORA SM-7軸承
首頁 >> AURORA關節軸承 >> 美國AURORA VCW-7關節軸承
AURORA VCW-7關節軸承
AURORA VCW-7關節軸承尺寸為:內徑:11.113mm,外徑:28.58mm,內圈厚度:14.27mm,外圈厚度:10.31mm,類型:右旋關節軸承,油潤滑參考轉速:-轉/分鐘,脂潤滑參考轉速:-轉/分鐘,精度等級:-,產地:美國。
本產品天津茲維克有售,本公司保證所銷售的AURORA VCW-7關節軸承產品為AURORA品牌原裝,假一罰十。購買咨詢熱線:022-27921004,13821920480,聯系人:翟先生
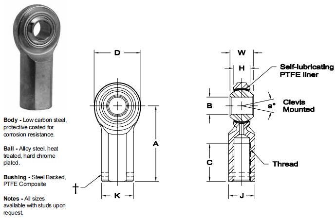
- AURORA關節軸承VCW-7圖紙

- AURORA VCW-7關節軸承詳細參數
| 軸承名稱 | AURORAVCW-7關節軸承 |
|---|---|
| 產品型號 | VCW-7 |
| 內徑B(mm) | 11.113 |
| 外徑D(mm) | 28.58 |
| 內徑厚度W(mm) | 14.27 |
| 外徑厚度H(mm) | 10.31 |
| A± .010 | 46.02 |
| K± .010 | 19.05 |
| J± .010 | 15.88 |
| Ball Dia. Ref | 19.84 |
| C+ .062 ~ - .031 | 23.8 |
| Thread UNF-3B | 7/16-20 |
| a° Misalign. Angle | 17 |
| 徑向載荷Lbs | 19.856 |
| 類型 | 關節軸承 |
| 品牌 | AURORA |
| 重量lbs | 82 |
上一篇:AURORA VCW-6關節軸承<------>
下一篇:AURORA VCW-8關節軸承